產品介紹
軍規電源接頭系列
軍規接頭-固定接頭
編號
MS-3102A
分享至
詳細說明
‧商品說明
.jpg)
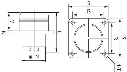
‧規格表 單位:mm
| 接頭規格 | N(mm) | R(mm) | S(mm) | T(mm) | K(mm) | M(mm) | L(mm) |
| 10SL | 15.90 | 18.26 | 25.40 | 3.05 | 3.00 | 14.28 | 30.25 |
| 12S | 17.45 | 20.62 | 27.79 | 3.05 | 3.00 | 14.28 | 30.25 |
| 14S | 19.05 | 23.01 | 30.18 | 3.05 | 3.00 | 14.28 | 30.25 |
| 16S | 22.23 | 24.61 | 32.54 | 3.05 | 3.00 | 14.28 | 30.25 |
| 18 | 25.40 | 26.97 | 34.93 | 3.05 | 4.00 | 19.05 | 49.22 |
| 20 | 28.58 | 29.36 | 38.10 | 3.05 | 4.00 | 19.05 | 49.22 |
| 22 | 31.75 | 31.75 | 41.28 | 3.05 | 4.00 | 19.05 | 49.22 |
| 24 | 34.93 | 34.93 | 44.45 | 3.74 | 4.00 | 20.63 | 49.22 |
| 28 | 41.28 | 39.67 | 50.80 | 3.74 | 4.00 | 20.63 | 49.22 |
| 32 | 48.41 | 44.45 | 57.15 | 4.40 | 4.00 | 22.23 | 49.22 |
| 36 | 53.98 | 49.23 | 63.50 | 4.40 | 4.00 | 22.23 | 49.22 |




